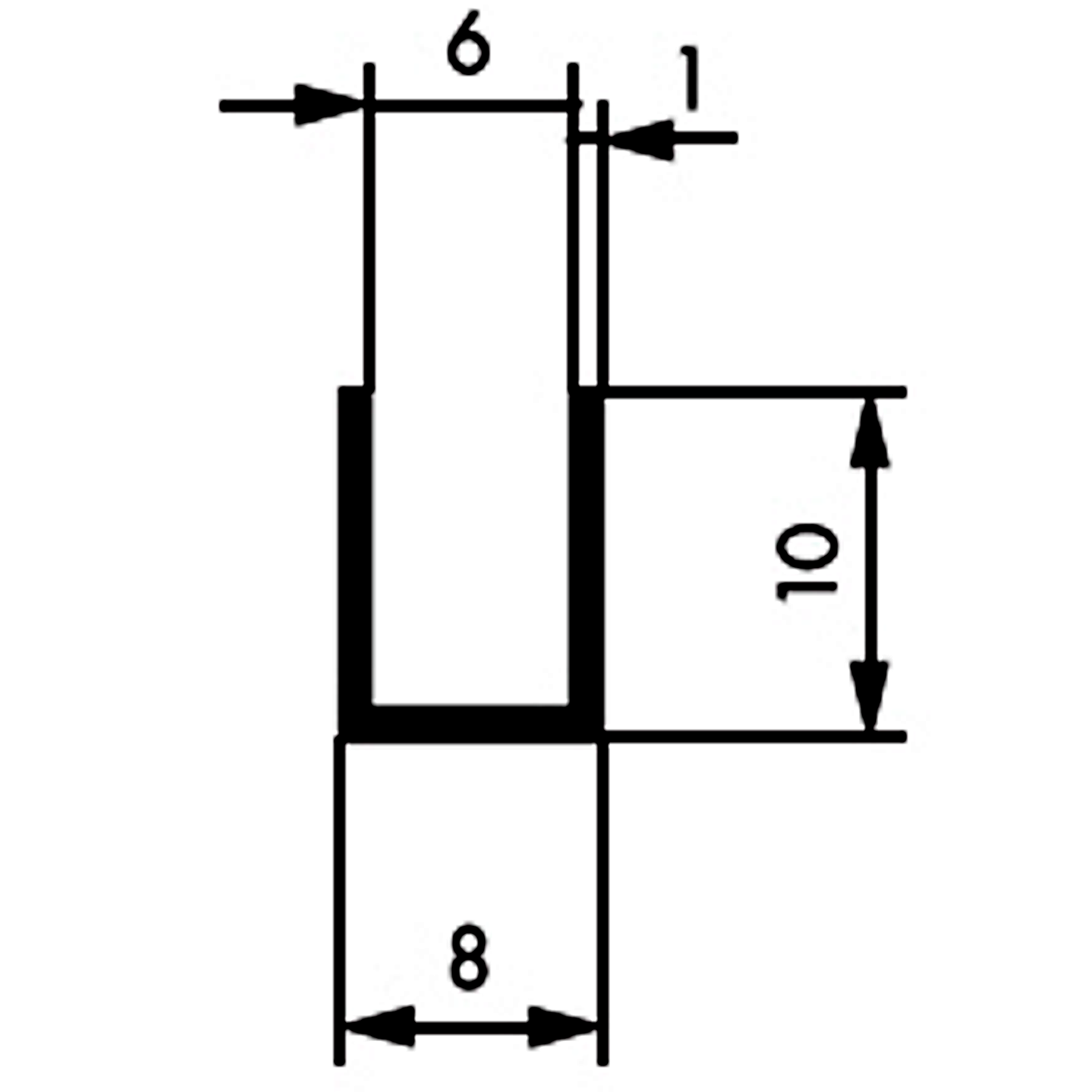
U-Profil
Artikel-Nr.:
EM105-15
Meterware
Mass
10mm x 8mm